Extend Steering Shaft On New Holland Tractor For Sale – This shift from a linear economy, where products are made, used, and disposed of, to a circular one, where products are continually reused and repurposed, is a step towards a more sustainable and environmentally friendly world. For some, it’s a matter of balancing budgetary constraints with their desire for quality. Even objects with little intrinsic value can be sold with great meaning. They are intended to last for a limited amount of time, after which they become outdated, broken, or no longer functional. The world may increasingly operate under the assumption that everything is for sale, but the human spirit, with its capacity for love, creativity, and compassion, refuses to be bought. A home, a car, a piece of jewelry, a moment in time, a relationship — all of these things, at some point, become commodities. When you buy something made from premium materials, crafted with attention to detail, and tested for reliability, you can expect it to deliver value that surpasses its initial cost. The practice of buying and selling second-hand items has been around for centuries, but in recent years, it has seen a resurgence. The environmental benefits of buying second-hand goods go beyond just reducing the need for new production. Online marketplaces have opened up opportunities for people to buy and sell goods from the comfort of their own homes. Beyond financial savings and environmental impact, second-hand goods also offer a sense of nostalgia and connection to the past. Whether it’s the affordability, the environmental impact, or the opportunity to find unique items, second-hand goods provide an alternative to traditional retail shopping that is both practical and sustainable. Electronics are another category of second-hand goods that have seen a rise in popularity. For the seller, there is the risk that they may not be able to find a buyer who is willing to pay the desired price, or that the sale may not go through as planned. These platforms provide a convenient way for sellers to connect with potential buyers, set their prices, and arrange for shipping or pick-up. A well-made product simply performs better. Some goods, like a fine Swiss watch, carry decades or even centuries of tradition, built on a reputation of precision and excellence. However, it’s also important to recognize the darker side of this freedom. It may have been passed down, carefully preserved, and lovingly maintained. This can manifest in the context of career, relationships, or personal goals.

Ford/ New Holland 1920 steering column/ steering shaft for compact
Top brands>80% items are newmake money when you sellfeatured collections Express steelnext day shippingfast and free shippingfamily owned company

Steering Sector Shaft SBA33410041 SBA334130041 for Ford 1300 1500 1700
Express steelnext day shippingfast and free shippingfamily owned company Top brands>80% items are newmake money when you sellfeatured collections

EINN3N503BS Ford New Holland POWER STEERING CONVERSION KIT
Top brands>80% items are newmake money when you sellfeatured collections Express steelnext day shippingfast and free shippingfamily owned company

Steering Sector Shaft SBA33410041 SBA334130041 for Ford 1300 1500 1700
Express steelnext day shippingfast and free shippingfamily owned company Top brands>80% items are newmake money when you sellfeatured collections

Ford/ New Holland 1920 steering column/ steering shaft for compact
Express steelnext day shippingfast and free shippingfamily owned company Top brands>80% items are newmake money when you sellfeatured collections

Ford/ New Holland 1920 steering column/ steering shaft for compact
Top brands>80% items are newmake money when you sellfeatured collections Express steelnext day shippingfast and free shippingfamily owned company

Steering Sector Shaft SBA33410041 SBA334130041 for Ford 1300 1500 1700
Express steelnext day shippingfast and free shippingfamily owned company Top brands>80% items are newmake money when you sellfeatured collections

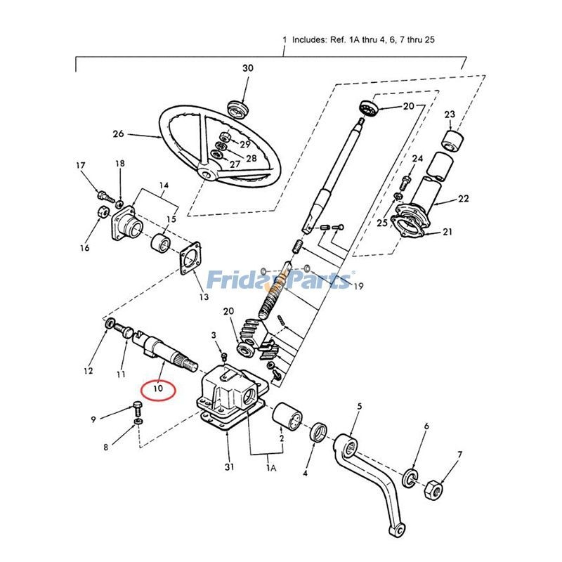
E2NN3N576DD New Ford New Holland Tractor Double Steering Sector Shaft
Express steelnext day shippingfast and free shippingfamily owned company Top brands>80% items are newmake money when you sellfeatured collections

S.67674 Steering Shaft for Ford New Holland 4000 (1000 Series) UK
Top brands>80% items are newmake money when you sellfeatured collections Express steelnext day shippingfast and free shippingfamily owned company

Steering Shaft New Holland 3630/5500 Versa Tractor Parts
Top brands>80% items are newmake money when you sellfeatured collections Express steelnext day shippingfast and free shippingfamily owned company
Once a suitable business has been identified, the buyer usually begins the due diligence process, which involves reviewing all relevant documents, financial records, and contracts. A blacksmith might craft a sword, a tailor might stitch a suit, and a potter might mold a vase. For people looking to furnish their homes, build a wardrobe, or invest in certain hobbies or collections, second-hand goods often provide a way to access items they might otherwise be unable to afford. It carries with it a deep sense of commodification — the idea that every part of our lives, every piece of our history, every corner of our existence, has a price attached to it. A well-made frying pan or a durable pair of boots might not have the cachet of a designer handbag, but their value lies in their functionality and reliability. A new smartphone, for example, can cost hundreds of dollars, but buying a used one can cut the price down by more than half. Whether it’s a handmade leather bag, a vintage watch, or a luxury car, the term “quality” brings with it an expectation — an assurance that the item in question has been crafted with care, attention to detail, and materials that can stand the test of time. Whether it’s a high-end designer handbag, a gently used sofa, or a vintage record player, the price difference between a new and a second-hand item can be significant. The role of business brokers and intermediaries has become increasingly important in today’s business-for-sale market. The closing process also involves transferring the business’s assets, such as inventory, property, intellectual property, and customer contracts, to the new owner. Many everyday products, such as kitchenware, footwear, and tools, can also be considered quality goods, provided they are made to last and perform well over time. Once an agreement is reached, the final step is the legal transfer of ownership. For the buyer, there is the risk of inheriting a business with hidden problems or liabilities that were not disclosed during the due diligence process. It’s a constant negotiation, where both parties seek to align their perceptions of worth and reach an agreement that satisfies both sides. They also have access to networks of potential buyers and sellers, which can help expedite the sale process and increase the chances of a successful transaction. They walk into a space that holds the potential for their own memories to be created, for their own life to unfold. It doesn’t fall apart after a few uses, nor does it need to be replaced after a season. These concepts, they say, are too sacred, too important to be reduced to mere transactions. The rise of online platforms dedicated to the sale of second-hand goods has also played a significant role in the growing popularity of pre-owned items. The focus on longevity and reliability is what sets these goods apart from their mass-market counterparts.
People often feel like they are for sale, too, in various ways. The process of selling it can be seen as a form of letting go, a recognition that the future may look different from the past, but that doesn’t diminish its importance or value. Acquiring an established business can provide a head start in terms of customer relationships, operational systems, and brand recognition. The struggle is not in resisting the marketplace entirely, but in finding balance, in ensuring that the things that truly matter cannot be bought, sold, or traded. Online platforms such as eBay, Craigslist, and Facebook Marketplace have made it easier than ever for individuals to sell their unwanted items to a global audience. The online second-hand market has also made it possible for people to buy and sell niche items that may not be available in local stores. This pride comes not just from the product itself, but from knowing that you are supporting a tradition of craftsmanship and care. Technological advancements and shifts in consumer behavior can also impact the types of businesses that buyers are interested in. When people choose quality goods, they are choosing longevity over convenience, enduring craftsmanship over temporary trends, and often, a timeless aesthetic over what is in vogue today. Even in a marketplace where everything is commodified, there is still room for those moments and experiences that transcend value. It’s a phrase that, at first glance, may seem simple and straightforward. The buying and selling of companies, brands, and even entire industries can reshape economies, alter job markets, and redefine how goods and services are delivered. It’s about letting go of something that no longer serves a purpose, while opening the door for something new to take its place. For example, someone might be able to purchase a used smartphone or laptop with the same features and specifications as a brand-new model, but at a significantly reduced price. Our emotional lives, our personal narratives, and even our deepest fears have been monetized. In the world of quality goods for sale, there is also an inherent sense of value in the stories behind them. The result is a society that increasingly prioritizes consumption over connection, profit over meaning, and exchange over understanding. Moreover, buying second-hand items allows consumers to access unique and vintage products that may no longer be available in stores, offering a sense of individuality that is often missing from mass-produced, new items. The world may increasingly operate under the assumption that everything is for sale, but the human spirit, with its capacity for love, creativity, and compassion, refuses to be bought. Those who are born into privilege have the means to buy their way to the top, while others are left behind, forced to sell their time, energy, and even their dignity in order to survive.